全国2009年4月高等教育自学考试电子技术基础(二)
《自考视频课程》名师讲解,轻松易懂,助您轻松上岸!低至199元/科!
全国2009年4月高等教育自学考试电子技术基础(二)试题
课程代码:02273
一、单项选择题(本大题共15小题,每小题1分,共15分)
在每小题列出的四个备选项中只有一个是符合题目要求的,请将其代码填写在题后的括号内.错选、多选或未选均无分.
1.三极管β值是反映( )
A.电压控制电压能力的参数
B.电流控制电流能力的参数
C.电压控制电流能力的参数
D.电流控制电压能力的参数
2.模拟集成电路的输入一般采用( )
A.共发射极电路
B.差动电路
C.共集电极电路
D.共基极电路
3.互补对称功率放大器是( )
A.共发射极电路
B.差动电路
C.共集电极电路
D.共基极电路
4.RC文氏桥振荡器起振条件是( )
A.Af =1
B.Af >1
C. Af=3
D. Af >3
5.单相桥式整流电路流过每个整流二极管的电流是流过负载电流的( )
A.0.5倍
B.0.707倍
C.0.9倍
D.1.2倍
6.三端集成稳压器CW7800系列额定电流是( )
A.0.1A
B.0.5A
C.1A
D.1.5A
7.字母A的ASCII码为( )
A.3AH
B.40H
C.41H
D.61H
8.三位二进制代码可以编出的代码有( )
A.3种
B.4种
C.6种
D.8种
9.在10线-4线优先编码器74HC147中,当输入
=0时,则输出
=( )
A.1001
B.1000
C.0111
D.0110
10.发光二极管的工作电流为( )
A.几微安~几十微安
B.几十微安~几百微安
C.几毫安~十几毫安
D.几安培
11.在CP有效的情况下,当输入端T=0,则T触发器的输出Qn+1=( )
A.Qn+1=0
B.Qn+1=1
C.Qn+1=Qn
D. Qn+1=
12.由555定时器构成的多谐振荡器电路中,振荡周期取决于( )
A.电源电压
B.R1、R2和C
C.仅与C有关
D.仅与R1和R2有关
13.多谐振荡器是用来产生( )
A.正弦波
B.矩形波
C.锯齿波
D.三角波
14.单稳态触发器的触发脉冲宽度ti与暂态维持时间tw之间应满足( )
A.ti<tw
B.ti=tw
C.ti>tw
D. ti≥tw
15.A/D转换是指( )
A.模拟量到数字量的转换
B.数字量到模拟量的转换
C.高电平到低电平的转换
D.低电平到高电平的转换
二、填空题(本大题共15小题,每小题1分,共15分)
请在每小题的横线上填上正确答案.错填、不填均无分.
16.场效应管属于单极型的___________器件.
17.若三极管发射结正偏,集电结也正偏则三极管处于___________状态.
18.在N型半导体中___________是多数载流子.
19.引入串联负反馈可以___________放大电路的输入电阻.
20.集成运放作线性应用时,一般工作在___________状态.
21.理想集成运放开环输入电阻ri=___________.
22.为了稳定静态工作点,应引入___________.
23.正弦波振荡器,自激振荡的相位平衡条件为___________.
24.在并联型石英晶体振荡器中,石英晶体作为___________使用,组成电容三点式振荡器.
25.单相桥式整流电路输出电压平均值U0(av)= ___________U2.
(U2是电源变压器副边电压有效值)
26.逻辑变量X与"1"异或相当于___________.
27.逻辑函数Y=A+B
的反函数
=___________.
28.在CP有效的情况下,D触发器具有置0和___________功能.
29.单稳态触发器在没有外部触发信号的情况下处于___________状态.
30.位数越多的DAC,其分辨率越___________.
三、计算题(本大题共1小题,共3分)
31.用卡诺图化简下列逻辑函数
F(A,B,C,D)=Ξm(0,1,2,3,4,7,15)+ Ξd(8,9,10,11,12,13)
四、简答题(本大题共3小题,每小题5分,共15分)
32.电容三点式振荡器与电感三点式振荡器比较,其输出波形好,为什么?
33.写出J—K触发器的特性方程和特性表.
34.引起放大电路的高频特性变差的主要原因是什么?引起放大电路的低频特性变差的主要原因是什么?
五、分析题(本大题共2小题,共14分)
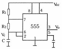
35.定性画出555组成的多谐振荡器的VC和VO波形,写出周期T的表达式.(5分)

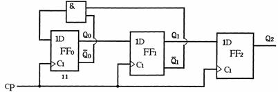
36.分析下图的逻辑功能,要求写出驱动方程、状态方程、输出方程,画出状态转换图.
(9分)

六、设计题(本大题共2小题,共18分)
37.设计一个举重裁判电路,A,B,C为三个裁判,其中A为主裁判,B,C为副裁判,当包括A在内的至少两个裁判同意时,表示举重成功,设计电路,实现用一盏灯的亮灭表示举重是否成功.(8分)
要求:(1)列出真值表;
(2)写出逻辑表达式;
(3)用与非门实现该电路.
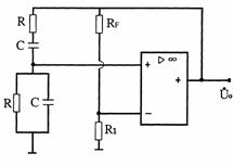
38.文氏桥振荡器电路如图所示,图中R=3KΩ,C=0.3μF,RF=R1=1KΩ.(10分)
试求:

(1)分析该电路参数是否满足起振条件?若不满足,应如何修改?
(2)计算振荡频率f0=?
七、分析计算题(本大题共2小题,每小题10分,共20分)
39.电路如图所示:图中R1=1KΩ,R2=2KΩ,R3= R4=5KΩ.
试求:(1)Uo与Ui1和Ui2的关系;
(2)当Ui1=0.5V, Ui2=0.1V时,计算输出电压Uo值,运放输入端电位UN、UP值.
40.电路如图,已知图中+UCC=12V-UEE=-12V,β1=β2=50,Rb=Rc=Re=10KΩ,Rs=50Ω,rbe1= rbe2=2.0KΩ.

试求:(1)若已知Re电阻的电流IE=1mA,求电路中IC1、IC2、UC1、UC2、IB1、IB2;
(2)求差模电压放大倍数Ad.
本文标签:江西自考 历年真题 全国2009年4月高等教育自学考试电子技术基础(二)
转载请注明:文章转载自(http://www.zikao.jx.cn)
《江西自考网》免责声明:
1、由于各方面情况的调整与变化,本网提供的考试信息仅供参考,考试信息以省考试院及院校官方发布的信息为准。
2、本网信息来源为其他媒体的稿件转载,免费转载出于非商业性学习目的,版权归原作者所有,如有内容与版权问题等请与本站联系。联系邮箱:812379481@qq.com









