全国2010年1月高等教育自学考试电力系统基础试题
《自考视频课程》名师讲解,轻松易懂,助您轻松上岸!低至199元/科!
全国2010年1月高等教育自学考试电力系统基础试题
课程代码:02300
一、单项选择题(本大题共20小题,每小题1分,共20分)
在每小题列出的四个备选项中只有一个是符合题目要求的,请将其代码填写在题后的括号内.错选、多选或未选均无分.
1.电力系统的最小负荷,总是______各用户最小负荷的总和( )
A.等于
B.大于
C.小于
D.等于0.5倍的
2.中性点不接地的电力系统,发生单相接地故障时,线间电压( )
A.不变
B.等于零
C.升高
倍
D.升高
倍
3.架空线路采用换位的目的是( )
A.减小电阻不对称
B.减小电导不对称
C.减小电抗不对称
D.减小电晕电压
4.变压器的电纳参数BT,主要决定于哪一个实验数据( )
A.△P0
B.△PK
C.UK%
D.I0%
5.双绕组升压变压器作降压变压器使用后,其二次侧的电压( )
A.升高
B.降低
C.不变
D.为零
6.电力系统潮流计算目的之一是( )
A.检查系统的频率是否满足电能质量要求
B.检查是否出现大气过电压
C.检查系统的稳定性
D.检查各节点的电压是否满足电能质量要求
7.电力系统分析中,公式△
,U为线电压,功率指:( )
A.一相功率
B.两相功率
C.三相功率
D.一、两相都可
8.在电阻上产生有功损耗时流过的功率( )
A.只能是有功
B.只能是无功
C.不能是无功
D.既可是有功也可以是无功
9.下列表达式中正确的是( )
A.![]()
B.![]()
C.![]()
D.![]()
10.电力系统潮流计算时某物理量的单位为Mvar,则该量是( )
A.有功功率
B.无功功率
C.视在功率
D.有功电量
11.在电力系统中平衡节点的数量( )
A.必有一个
B.是大量的
C.少量或没有
D.数量最多
12.闭式网手算潮流时,解网点应在( )
A.任意节点
B.无功分点
C.有功分点
D.非功率分点
13.发生概率最多的短路是( )
A.三相短路
B.两相短路接地
C.两相短路
D.单相接地短路
14.无限大容量电源是一种假设的理想情况,其数学描述为( )
A.I*=1
B.Zin=∞
C
in*=1且Zin=0
D.
in*= ∞
15.同步机内各种电势间关系为( )
A.Eq>EQ>E′q>Eq″
B.EQ>Eq>E′q>E″q
C.Eq>EQ>E″q>E′q
D.E′q>Eq>EQ>E″q
16.由稳态运行求取暂态电势E′q.可由下式_______实现.( )
A.E′q-jIx′d=U
B.Eq-j(xd-x′d)Id=E′q
C.Eq-(xd-x′d)Id=E′q
D.E′-Ix′d=Uq
17.单相接地短路的短路电流的大小为正序分量的( )
A.1倍
B.
倍
C.2倍
D.3倍
18.单相接地短路中的正序附加电抗x△为( )
A.X∑0
B.X∑2
C.X∑2+X∑0
D.0
19.小干扰法适用于电力系统的( )
A.故障分析
B.静态稳定分析
C.暂态稳定分析
D.潮流分析
20.根据等面积定则若最大可能的减速面积大于加速面积,则系统将( )
A.保持暂态稳定
B.失去暂态稳定
C.临界稳定
D.失去静态稳定
二、填空题(本大题共10小题,每小题1分,共10分)
请在每小题的空格中填上正确答案.错填、不填均无分.
21.35kV电力网的平均额定电压为______kV.
22.调差系数与机组的单位调节功率之间是______关系.
23.计算初步潮流分布的目的主要是为了______.
24.在任何负荷下都保持中枢点电压为一基本不变数值的中枢点电压调整方式称为______.
25.简单故障一般是指某一时刻在电力系统______发生故障.
26.短路电流的冲击系数Kimp其值在______之间.
27.系统发生不对称故障时a、b、c三相电流的零序分量具有______相位.
28.Y,d11连接变压器组,如果Y侧发生不对称短路,则△侧正序电流将______Y侧正序电流30°角.
29.隐极发电机当xd=xq时则EQ和Eq两者的关系为______.
30.减小输电元件的电抗将______系统的静态稳定性.
三、简答题(本大题共4小题,每小题5分,共20分)
31.潮流计算时的各类节点代表什么意义?
32.冲击电流指的是什么?它出现的条件和时刻如何?
33.什么是电力系统的运行稳定性?
34.凸极式三相同步发电机机端发生三相短路时定子绕组中包含有哪些电流分量?这些分量如何变化?最终值是怎样的?
四、简算题(本大题共4小题,每小题7分,共28分)
35.某架空线路型号为LGJ—185,三相导线水平排列,相间距离4m,导线外径19mm,求单位长度的电纳b1值.
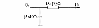
36.已知某一电力线路参数如图所示,其始端输入的功率为120+j60MVA,始端电压为240kV,求末端电压及末端负荷.
37.如图所示系统,各元件的电抗以及初始运行条件示于图中,求静态稳定储备系数Kp.
38.求K点两相短路接地的短路电流周期分量初始值.
五、综合题(本大题共2小题,每小题11分,共22分)
39.系统的额定频率为50Hz,总装机容量为2400MW,调差系数σ%=6%,总负荷PL=1800MW,KL=80MW/Hz,在额定频率下运行时负荷增大100MW,试求①所有机组均参加一次调频时频率的变化量;②所有机组均不参加一次调频时频率的变化量.
40.简单电力系统如图所示,在K点发生三相短路时,试判定在60°切除故障,70°重合闸成功,将线路重合,问系统是否稳定?
[1]
本文标签:江西自考 历年真题 全国2010年1月高等教育自学考试电力系统基础试题
转载请注明:文章转载自(http://www.zikao.jx.cn)
《江西自考网》免责声明:
1、由于各方面情况的调整与变化,本网提供的考试信息仅供参考,考试信息以省考试院及院校官方发布的信息为准。
2、本网信息来源为其他媒体的稿件转载,免费转载出于非商业性学习目的,版权归原作者所有,如有内容与版权问题等请与本站联系。联系邮箱:812379481@qq.com









